Qu’est-ce qu’un interrupteur différentiel de 30mA ?



L’interrupteur différentiel a une raison d’être : la protection des personnes contre les risques électriques. Placé entre le disjoncteur général et les disjoncteurs divisionnaires, il va couper les circuits s’il détecte une fuite de courant.
C’est ce qu'on appelle la sensibilité, elle est exprimée en milliampères. Une sensibilité de 30mA signifie que l’interrupteur différentiel coupe le courant si la différence entre l’intensité qui entre dans l’installation et celle qui en sort est supérieure à cette valeur.
Il est important que cette différence ne dépasse pas 50 mA (le seuil au-dessus duquel les personnes sont potentiellement en danger de choc électrique). La sensibilité permet à l’interrupteur différentiel d’assurer la sécurité des occupants.
Brancher (ou installer) un interrupteur différentiel de 30mA

Un interrupteur différentiel protège les personnes : il ne détecte pas les surtensions et les courts-circuits. Pour cette raison, il doit être placé dans le tableau électrique entre le disjoncteur d’abonné et les disjoncteurs divisionnaires.
Pour installer votre interrupteur différentiel 30mA, suivez ces indications :
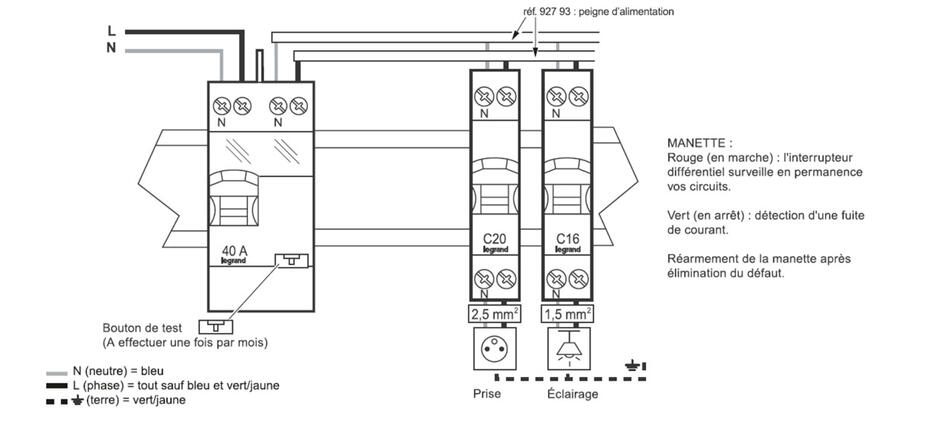
- d’abord, assurez-vous d’avoir un espace vacant sur votre tableau électrique, en début de rangée de préférence (une rangée comprend l’ensemble des circuits qui vont lui être associés)
- ensuite, prenez soin de couper l’alimentation générale en déclenchant le disjoncteur d’abonné, puis vérifiez que le courant est bien éteint
- suivez les indications de la notice qui accompagnent le produit : insérez l’interrupteur différentiel à sa place sur le rail, en amont des disjoncteurs divisionnaires, et connectez les câbles d’alimentation générale provenant du disjoncteur d'abonné (le fil neutre sur la borne N, le fil de phase sur la borne L)
- raccordez les disjoncteurs divisionnaires à l’interrupteur différentiel 30mA grâce à un peigne d’alimentation horizontal
Attention, l’installation doit avoir été mise à la terre pour que l’interrupteur différentiel puisse fonctionner. Soyez aussi attentif au nombre de circuits protégés par un même interrupteur différentiel : la norme N FC 15-100 en recommande 8 au maximum. Elle donne également des recommandations pour le choix de l'interrupteur différentiel (25A, 40A, 63A) à travers un calcul.

Quelques règles élémentaires de prudence
L'installation d’un interrupteur différentiel 30mA nécessite d’avoir de bonnes connaissances en matière d’installation électrique. De nombreux paramètres sont à prendre en compte avant et après l’opération.
Pour votre sécurité, optez pour une installation prise en charge par un professionnel. Legrand a sélectionné pour vous des électriciens recommandés dans chaque région de France : vous n’avez plus qu’à choisir le vôtre en fonction de votre emplacement géographique, sur ce lien.

Testez votre interrupteur différentiel
Sachez également qu’un interrupteur différentiel nécessite d’être testé régulièrement afin de contrôler son bon fonctionnement. Pour savoir comment vous y prendre, regardez notre tutoriel dédié ci-dessous. Il est recommandé d’effectuer ce test tous les mois.
Tuto vidéo
Interrupteur différentiel
Questions fréquentes
Deux interrupteurs...

Besoin d'aide ?
Contacter le Service Consommateurs
En ligne ou par téléphone du lundi au vendredi de 8h à 18h au 0825 360 360 (0,05€/min TTC).
Service Assistance Vidéo - pour un meilleur accompagnement, un conseiller peut vous proposer
de passer en mode visio lors d'un échange par téléphone.